Dampfmaschinenmodelle gebaut von
Ernst Eyle
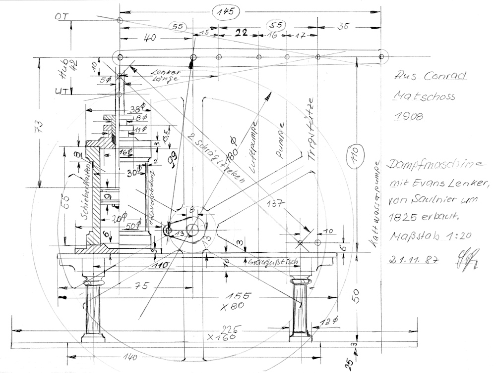
Konstruktionszeichnung zu Modell 19
Brennw.:
Bel.zeit:
Blende:
ISO
© Wolfgang Kynast
Kontakt